Yamada Pump Configurator

  • Pump selector
  • Built in chemical compatibility guide
  • Model comparison

Yamada® NDP-50 Series Double Diaphragm Pumps

Yamada® NDP-50 series Air Powered Double Diaphragm (AODD) pumps provide a maximum flow rate of 166 gallons per minute. Pumps are available in aluminum, stainless steel (316), cast iron, polypropylene, and Kynar construction, with a wide variety of diaphragm materials.

164.0 Gallons/Minute Max.
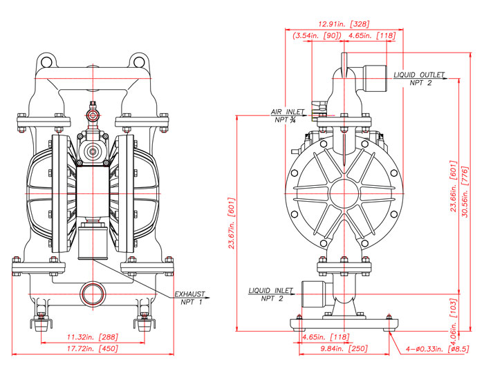
2" Fluid Port (NPT or ANSI Flange)

Intake & Discharge Connections

Polypropylene (PPG): 2" ANSI Flange B16.5 #150

Kynar® (PVDF): 2" ANSI Flange B16.5 #150

Aluminum (ADC-12): 2" ANSI Flange B16.5 #150 (with tapped 2" Female NPT)

Stainless Steel (316): 2" ANSI Flange B16.5 #150 or 2" Female NPT

Cast Iron: 2" Female NPT

Air Inlet

3/4" Female NPT (includes ball valve)

Air Exhaust

1" Female NPT (includes silencer)

Maximum Liquid Temperature*

Diaphragm Material / Temperature

Buna N: 180°F (82°C)

Neoprene: 180°F (82°C)

Santoprene® (TPO): 180°F (82°C)

EPDM: 212°F (100°C)

PTFE: 212°F (100°C)

Hytrel® (TPE): 248°F (120°C)

Viton® fluoroelastomer: 248°F (120°C)

*Polypropylene pumps have a maximum liquid temperature of 180°F (82°C) regardless of diaphragm material. Kynar® pumps have a maximum temperature of 248°F (120°C) when fitted with Hytrel® or Viton® diaphragms.

Air Supply Pressure (All Models)

20 to 100 PSI (1.4 to 7 kgf/cm²)

Discharge Volume Per Cycle

Rubber diaphragm: 1.14 gallons (4.3 liters)

PTFE diaphragm: 0.55 gallons (2.1 liters)

Maximum Cycles Per Minute

Rubber diaphragm: 146

PTFE diaphragm: 220

Maximum Size Solid

5/16" (8 mm)

Maximum Dry Suction Lift

Rubber-fitted pump capability: 19-feet

Air Motor

Standard: Aluminum

Optional Coating

PTFE-coated

Weight and Dimensions

Dimensions: 17.68" W x 30.67" H
Net Weight: 88 lbs. (39.9 kg)
Shipping Weight: 99 lbs.
Tapped with 2" NPT ANSI flange

Dimensions: 18.63" W x 32.32" H
Net Weight: 84 lbs. (38.1 kg)
Shipping Weight: 108 lbs.

Dimensions: 18.63" W x 32.32" H
Net Weight: 103 lbs. (46.7 kg)
Shipping Weight: 121 lbs.

Dimensions: 17.72" W x 30.55" H
Net Weight: 159 lbs. (72.1 kg)
Shipping Weight: 168 lbs.

Dimensions: 17.72" W x 30.55" H
Net Weight: 162 lbs. (73.5 kg)
Shipping Weight: 173 lbs.

Notes

All Polypropylene, Aluminum, Cast Iron, and SS Hytrel®-fitted pumps include Hytrel® check balls and Buna N wetted o‑rings. Santoprene®-fitted pumps include Santoprene® check balls and EPDM wetted o‑rings.

Kynar® (PVDF) pumps fitted with Santoprene®, Hytrel®, or PTFE include PTFE check balls and o‑rings. Kynar®/EPDM fitted pumps include EPDM check balls and o‑rings. Viton® fitted pumps include Viton® check balls and o‑rings.

NDP-50 Aluminum, ANSI Flange
NDP-50 Aluminum, ANSI Flange NDP-50 Cast Iron, ANSI Flange NDP-50 Cast Iron, NPT NDP-50 Kynar, ANSI Flange NDP-50 Polypropylene, ANSI Flange NDP-50 Stainless Steel, ANSI Flange NDP-50 Stainless Steel, NPT

Literature and Drawings

:: NDP-50 Literature

:: NDP-50 Maintenance Manuals

:: NDP-50 CAD Drawings

:: NDP-50 3D CAD Drawings

:: NDP-50 Performance Curves

:: NDP-50 Bill of Materials

:: NDP-50 Model Nomenclature

Yamada® is a registered trademark of Yamada America, Inc. Hytrel® is a registered trademark of E.I. du Pont de Nemours and Company. Santoprene® is a registered trademark of Advanced Elastomer Systems. Viton® is a registered trademark of DuPont Performance Elastomers. Due to Yamada's continued commitment to product improvement, specifications may change without notice.