NDP-5 Series

Yamada® NDP-5 Diaphragm Pump Series

Yamada Trial Pump Program

1/4" Fluid Port

Yamada® NDP-5 series AODD pumps provide a maximum flow rate of 3.4 gallons per minute. Pumps are available in aluminum, stainless steel(316), Kynar®(PVDF), groundable acetal, and polypropylene construction.

What separates Yamada from the rest of the pack is our air valve technology. Yamada uses a completely non-lubricated main air valve and independent pilot mechanisms to control the air logic.

As compressed air enters the pump, it is directed via the main air valve to one side or the other, depending upon the starting position of the c-spool.  As the air enters the chamber, it forces the diaphragm outward. This outward momentum forces liquid out of the discharge ball valve and loads the opposite inlet ball valve. As the diaphragm travels outward, the connected diaphragm on the opposite side is pulling the diaphragm inward.

When it travels a full stroke, it will contact the pilot valve, depressing it and breaking the seal to open an exhaust port.

 

GENERAL PUMP INFORMATION

3.4 Gallons/Minute Max.
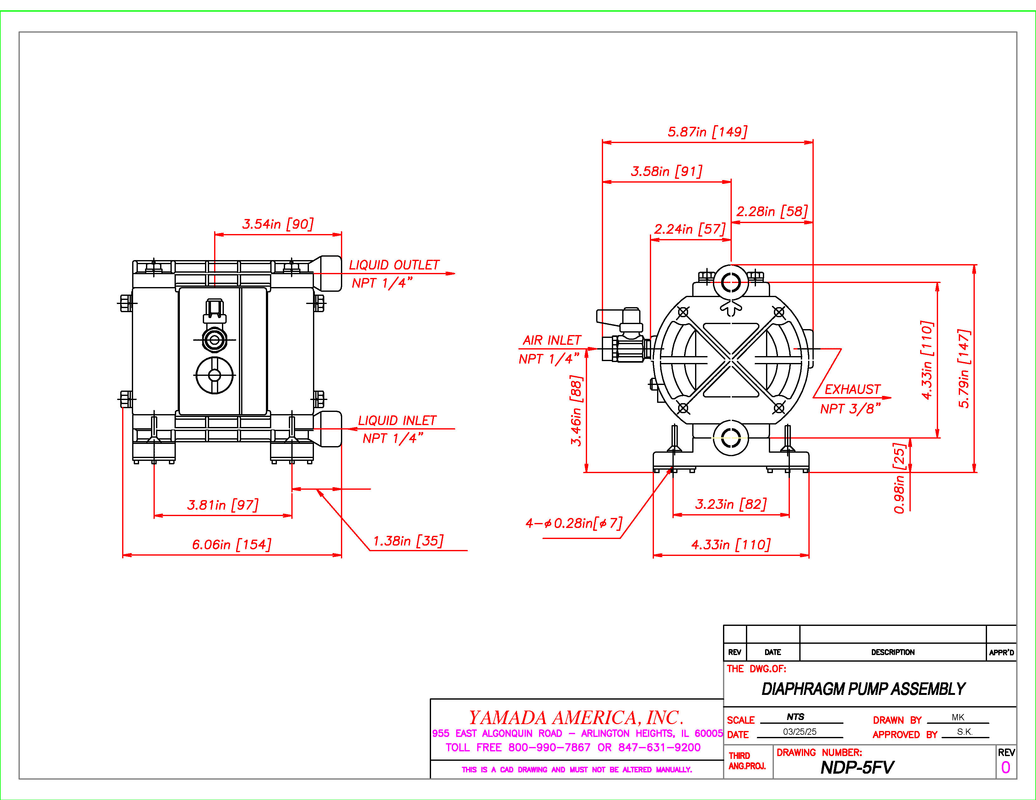
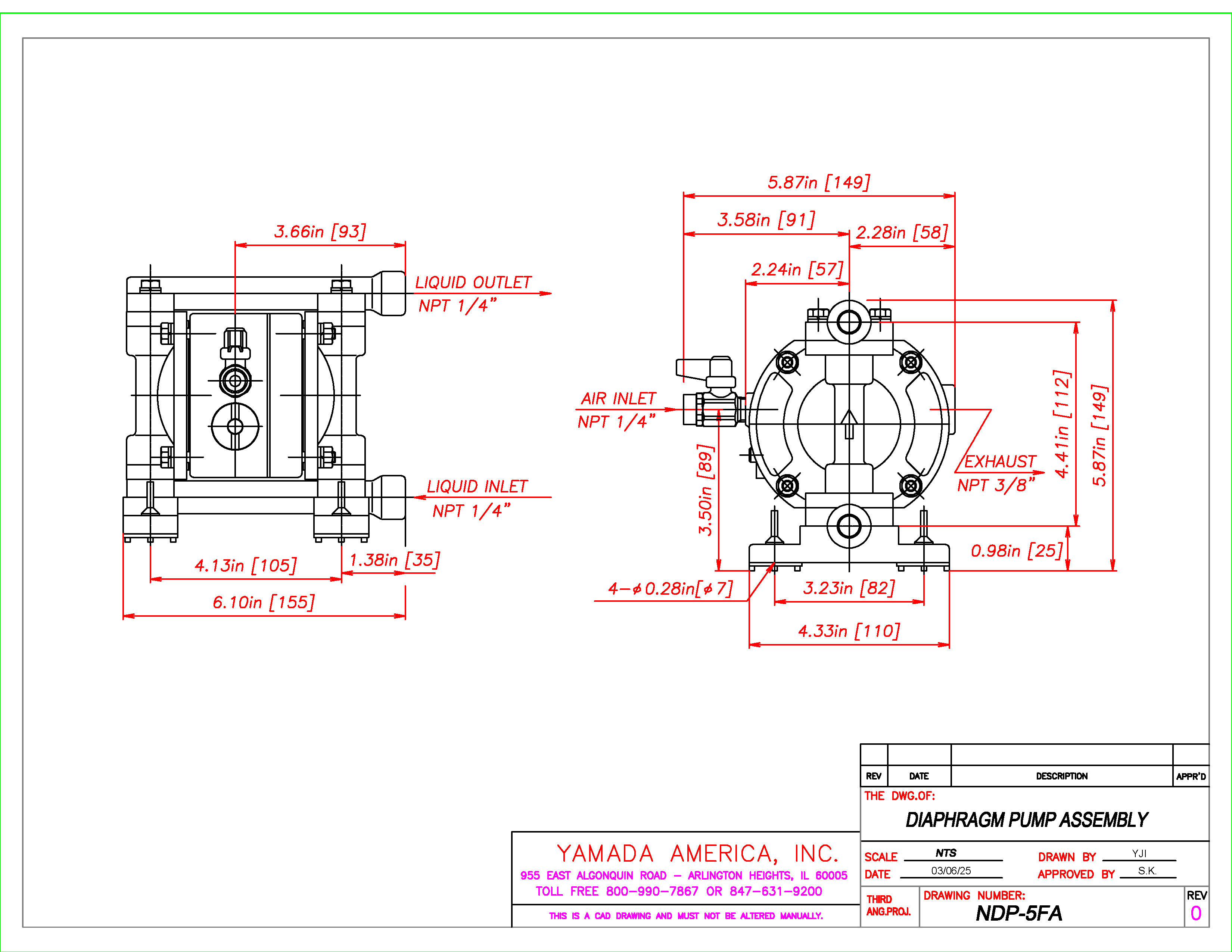
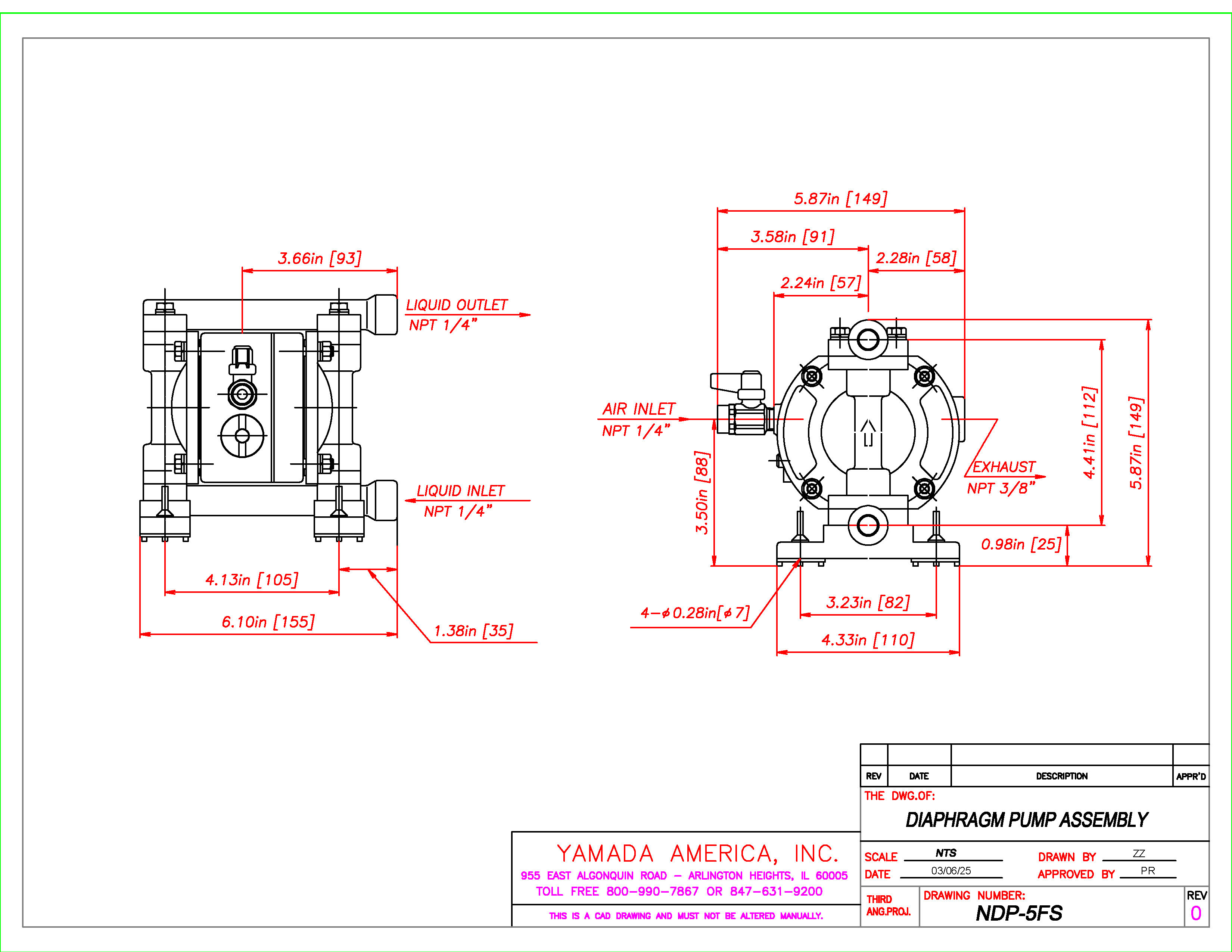
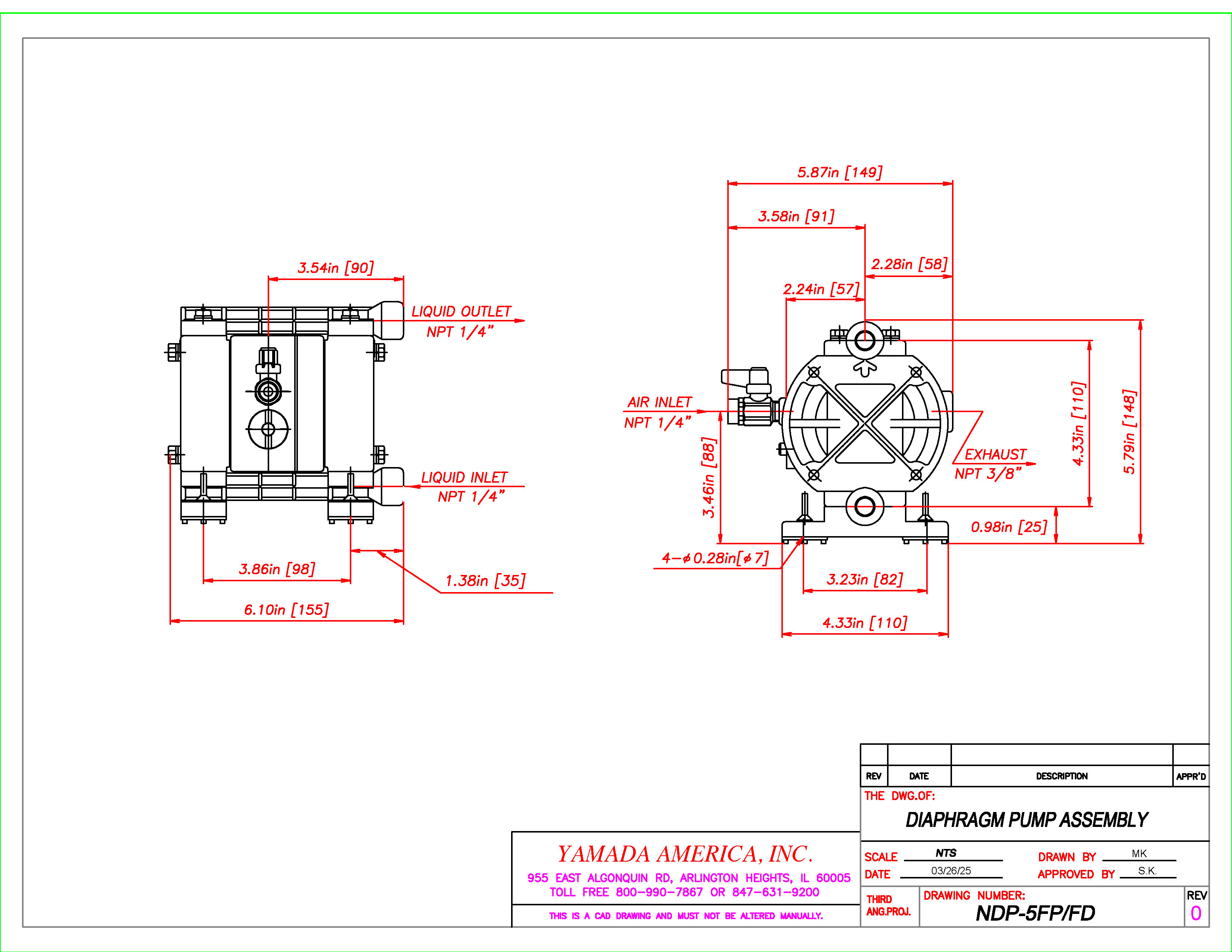
1/4" NPT Fluid Port
Intake & Discharge Connection 1/4" Female NPT
Air Inlet 1/4" Female NPT (includes ball valve)
Air Exhaust 3/8" Female NPT (includes silencer)
Air Supply Pressure (All Models) 20 to 100 PSI (1.4 to 7 kgf/cm2)
Discharge Volume Per Cycle 0.0085 gallons (35 cc)
Maximum Cycles Per Minute All diaphragms: 400
Maximum Dry Suction Lift 5-feet
Air Motor Standard: Ryton® Air Motor
Air Exhaust 3/8" Female NPT Identified as EXH II (includes internal silencer)1

1threaded port for external exhaust applications.

 

Maximum Liquid Temperature Fitted with PTFE diaphragm
Groundable Acetal 180F (82C)
Polypropylene (PPG) 180F (82C)
Kynar® (PVDF) 212F (100C)
Aluminum (ADC-12) 212F (100C)
Stainless Steel (316) 212F (100C)

NDP-5 PUMP MODELS

Model # Description
851564 NDP-5FAT
851562 NDP-5FPT
851565 NDP-5FST
852064 NDP-5FVT

MATERIAL TYPE

:: Aluminum
Dimensions: 6.10" W x 5.87" H
Net Weight: 3.5 lbs. (1.6 kg)
Shipping Weight: 5 lbs.
:: Kynar® (PVDF)
Dimensions: 6.06" W x 5.79" H
Net Weight: 3.7 lbs. (1.7 kg)
Shipping Weight: 5.2 lbs.
:: Groundable Acetal
Dimensions: 6.10" W x 5.79" H
Net Weight: 3.1 lbs. (1.4 kg)
Shipping Weight: 4.6 lbs.
:: Stainless Steel
Dimensions: 6.10" W x 5.87" H
Net Weight: 6 lbs. (2.7 kg)
Shipping Weight: 7.5 lbs.
:: Polypropylene
Dimensions: 6.10" W x 5.79" H
Net Weight: 2.9 lbs. (1.3 kg)
Shipping Weight: 4.4 lbs.

ACCESSORIES

Air Motor Kit

K5-AM

Liquid End Kits
Aluminum: K5-MT
Kynar: K5-VT-2
Groundable Acetal: K5-DT
Stainless Steel: K5-MT
Polypropylene: K5-PT
Filter / Regulators

FR-1

FR-1A (Auto Drain)

Dampener

AD-10 Series

Liquid Level Controller

YALC, LLC-2Y and LLC-3

Controllers

YSC-3B

Diaphragm Monitor System

DM-2

DRy Run Detector

DRD-100

The Yamada Advantage

Yamada Air Powered Double Diaphragm Pumps: Engineered for High Performance. Manufactured for Long Life.

Rugged, Bolted Construction

All Yamada pumps feature bolted construction, which eliminates leaks and simplifies post-maintenance reassembly. Bolted construction is superior to clamp band retainers, which frequently require frustrating, unnecessary leakage rebuilds from misalignment during reassembly.

Outside-Accessible Air Valve

Inspection or maintenance of every Yamada air valve may be performed without removing the pump from service. Outside accessible, making it easy to fix / inspect.

Unified Air Valve Concept

Common-size air valve assemblies reduce parts confusion and inventory.

Pilot Valve

Unique to the Yamada design is an individual modular pilot valve that actuates the air valve. It is depressed slightly by the inner center disk creating a pressure drop at one end of the air valve, allowing shifting to occur. It is maintenance free with no cumbersome snap rings or lubricated dynamic o-rings to replace or repair.

Patented Air Valve Technology

Incorporated in every Yamada Air Powered Double Diaphragm pump

Yamada air valve technology is the heart of the air-powered double diaphragm pump and determines reliability. Yamada holds three patents on its field proven valve and enjoys a superior reputation throughout the industry.

Why Specify an AODD Pump?

  • Handles a wide variety of fluids with high solids content
  • Self Priming
  • Ability to Run Dry
  • Variable flow rate and discharge pressure
  • Portable
  • Simple Installation
  • Dead Head
  • Shear Sensitive
  • Safe Operation
  • Submersible
  • Pumping efficiency remains constant
  • Cannot Overheat
  • High Pressure capabilities
  • No mechanical seals, couplings or motors
  • No pressure relief or bypass needed

Contact Us.

... please wait, submitting.

Literature & Drawings

Videos