NDP-25 Series/G25 Series

Yamada® NDP-25/G25 Series Double Diaphragm Pump

Yamada Trial Pump Program

1" Fluid Port

Yamada® NDP-25 Series AODD pumps provide a maximum flow rate of 46.2 gallons per minute. Pumps are available in aluminum, stainless steel (316), Kynar® (PVDF), groundable acetal, and polypropylene construction.

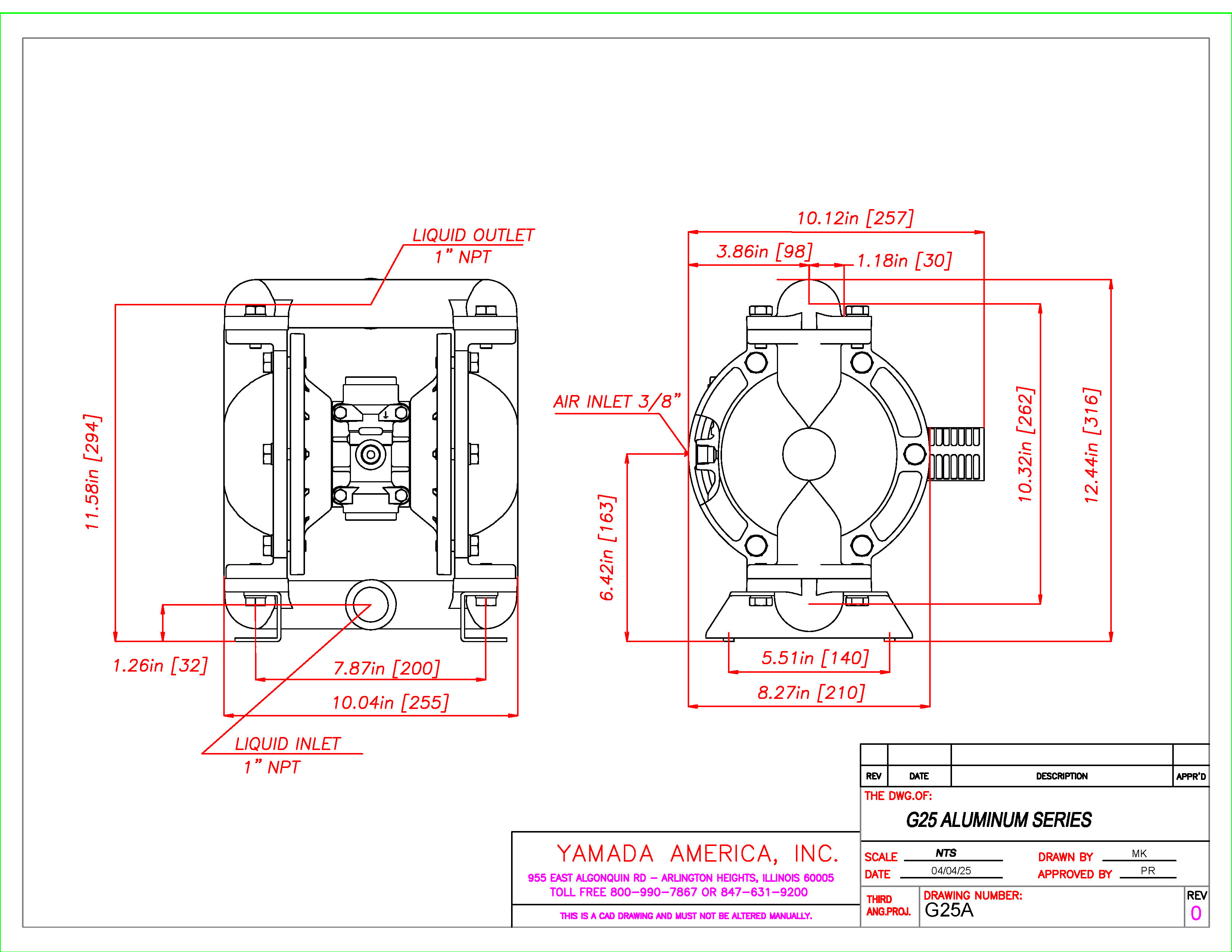
Yamada® G25 Global Series AODD pumps provide a maximum flow rate of 40.1 gallons per minute and are available in aluminum.

The G25 series pumps utilize
our new Step Spool (S-Spool).

Unified Air Valve Concept – 2 common size air valve assemblies used for 6 sizes of pumps reducing reassembly confusion and parts inventory

Truly No-Lubricated Air Valve – patented air valve on all NDP series pumps never requires lubrication or pre-packing

Non-Stalling – patented non-centering, 304SS spring-assisted shifter, ensuring a positive shift every time

Tested to last over 300 million cycles

Aides in long dead head application for reliable startup

What separates Yamada from the rest of the pack is our air valve technology. Yamada uses a completely non-lubricated main air valve and independent pilot mechanisms to control the air logic.

As compressed air enters the pump, it is directed via the main air valve to one side or the other, depending upon the starting position of the c-spool.  As the air enters the chamber, it forces the diaphragm outward. This outward momentum forces liquid out of the discharge ball valve and loads the opposite inlet ball valve. As the diaphragm travels outward, the connected diaphragm on the opposite side is pulling the diaphragm inward.

When it travels a full stroke, it will contact the pilot valve, depressing it and breaking the seal to open an exhaust port.

The open port allows the compressed air to the exhaust from the back side of the air valve. The pressure drop produces a shift of the main air valve. This motion simply repeats on the other side.

Options > Ultimate Diaphragms, Abrasion Pads

 

GENERAL PUMP INFORMATION

46.2 Gallons/Minute (NDP-25)

40.1 Gallons/Minute (G25)

1" Fluid Port (NPT or ANSI Flange)

 

Intake & Discharge Connections
Polypropylene (PPG)
1" Female NPT or 1" ANSI Flange B16.5 #150
Kynar® (PVDF) 1" Female NPT or 1" ANSI Flange B16.5 #150
Aluminum (ADC-12) 1" Female NPT
Stainless Steel 1" Female NPT
Cast Iron 1" Female NPT
Air Inlet 3/8" Female NPT (includes ball valve)
Air Exhaust 3/4" Female NPT (includes silencer)

 

Diaphragm Maximum Liquid Temperature1
N: Buna N 180°F (82°C)
C: Neoprene 180°F (82°C)
S: Santoprene®(TPO) 180°F (82°C)
E: EPDM 212°F (100°C)
T: PTFE 212°F (100°C)
H: Hytrel® (TPE) 248°F (120°C)
V: Viton® fluoroelastomer 248°F (120°C)
U: Ultimate 212°F (100°C)
*Polypropylene pumps have a maximum liquid temperature of 180°F (82°C) regardless of diaphragm material. Kynar® pumps have a maximum temperature of 248°F (120°C) when fitted with Hytrel® or Viton® diaphragms.

 

Air Supply Pressure (All Models) 20 to 100 PSI (1.4 to 7 kgf/cm²)
Discharge Volume Per Cycle

Rubber diaphragm: 0.23 gallons (862 cc) (NDP) | 0.158 gallons (G25)
PTFE diaphragm: 0.17 gallons (654 cc) (NDP) | 0.118 gallons (G25)

Maximum Cycles Per Minute

Rubber diaphragm: 210 (NDP) 253 (G25)
PTFE diaphragm: 210 (NDP) 297 (G25)

Maximum Size Solid 1/8" (3 mm) 
Maximum Dry Suction Lift Rubber-fitted pump capability: 18-feet
Air Motor Aluminum - Metal Pumps
Plastic - Plastic Pumps
Optional Coating PTFE-coated (NDP)

NDP-25 / G25 PUMP MODELS

Model # Description
851527 NDP-25BAC
851528 NDP-25BAN
851529 NDP-25BAE
852100 NDP-25BAH
852701 NDP-25BAS
851530 NDP-25BAV
851531 NDP-25BAT
855229 NDP-25BAU
854122 NDP-25BAC-PP
854123 NDP-25BAN-PP
854124 NDP-25BAE-PP
854127 NDP-25BAH-PP
854128 NDP-25BAS-PP
854125 NDP-25BAV-PP
854126 NDP-25BAT-PP
854126-U NDP-25BAU-PP
851537 NDP-25BSC
851538 NDP-25BSN
851539 NDP-25BSE
852102 NDP-25BSH
852703 NDP-25BSS
851540 NDP-25BSV
851541 NDP-25BST
855230 NDP-25BSU
854136 NDP-25BSC-PP
854137 NDP-25BSN-PP
854138 NDP-25BSE-PP
854141 NDP-25BSH-PP
854142 NDP-25BSS-PP
854139 NDP-25BSV-PP
854140 NDP-25BST-PP
854140-U NDP-25BSU-PP
851532 NDP-25BFC
851533 NDP-25BFN
851534 NDP-25BFE
852101 NDP-25BFH
852702 NDP-25BFS
851535 NDP-25BFV
851536 NDP-25BFT
851536-U NDP-25BFU
851671 NDP-25BPC
852385 NDP-25BPN
852386 NDP-25BPE
852070 NDP-25BPH
852704 NDP-25BPS
852387 NDP-25BPV
851672 NDP-25BPT
853844 NDP-25BPC-FLG
853845 NDP-25BPN-FLG
853846 NDP-25BPE-FLG
853849 NDP-25BPH-FLG
853850 NDP-25BPS-FLG
853847 NDP-25BPV-FLG
853848 NDP-25BPT-FLG
854171 NDP-25BPC-PP
854172 NDP-25BPN-PP
854173 NDP-25BPE-PP
854176 NDP-25BPH-PP
854177 NDP-25BPS-PP
854174 NDP-25BPV-PP
854175 NDP-25BPT-PP
855252 NDP-25BPU-PP
854185 NDP-25BPC-PP-FLG
854186 NDP-25BPN-PP-FLG
854187 NDP-25BPE-PP-FLG
854190 NDP-25BPH-PP-FLG
854191 NDP-25BPS-PP-FLG
854188 NDP-25BPV-PP-FLG
854189 NDP-25BPT-PP-FLG
855254 NDP-25BPU-PP-FLG
854956 NDP-25BVE-PN
854959 NDP-25BVH-PN
854960 NDP-25BVS-PN
854957 NDP-25BVV-PN
854958 NDP-25BVT-PN
855256 NDP-25BVU-PN
854966 NDP-25BVE-PN-FLG
854969 NDP-25BVH-PN-FLG
854970 NDP-25BVS-PN-FLG
854967 NDP-25BVV-PN-FLG
854968 NDP-25BVT-PN-FLG
855258 NDP-25BVU-PN-FLG

 

Model # Description
854995 G25AN11
854999 G25AH11
855001 G25AS11
854997 G25AT11

MATERIAL TYPES

:: Aluminum (NDP)
Dimensions: 11.30" W x 14.93" H
Net Weight: 28.7 lbs. (13 kg)
Shipping Weight: 33.7 lbs.
:: Aluminum-PP 
Dimensions: 11.30" W x 14.93" H
Net Weight: 24.3 lbs. (11 kg)
Shipping Weight: 29.3 lbs.
:: Polypropylene (ANSI flange)
Dimensions: 14.43" W x 17.38" H
Net Weight: 24.3 lbs. (11.0 kg)
Shipping Weight: 29.3 lbs.
:: Polypropylene-PP (ANSI flange)
Dimensions: 14.43" W x 17.83" H
Net Weight: 20.9 lbs. (9.5 kg)
Shipping Weight: 25.9 lbs.
:: Polypropylene (NPT)
Dimensions: 14.46" W x 16.91" H
Net Weight: 24.3 lbs. (11.0 kg)
Shipping Weight: 29.3 lbs.
:: Polypropylene-PP (NPT)
Dimensions: 14.47" W x 16.90" H
Net Weight: 20.9 lbs. (9.5 kg)
Shipping Weight: 25.9 lbs.
:: Kynar (PVDF) (ANSI flange)
Dimensions: 14.35" W x 17.30" H
Net Weight: 29.8 lbs. (13.5 kg)
Shipping Weight: 34.8 lbs.
:: Kynar-PN (PVDF) (ANSI flange)
Dimensions: 14.43" W x 17.30" H
Net Weight: 26.4 lbs. (12.0 kg)
Shipping Weight: 31.4 lbs.
:: Kynar (PVDF) (NPT)
Dimensions: 14.39" W x 16.91" H
Net Weight: 29.8 lbs. (13.5 kg)
Shipping Weight: 34.8 lbs.
:: Kynar-PN (PVDF) (NPT)
Dimensions: 14.41" W x 16.91" H
Net Weight: 26.4 lbs. (12.0 kg)
Shipping Weight: 31.4 lbs.
:: Stainless Steel
Dimensions: 11.06" W x 14.77" H
Net Weight: 44.1 lbs. (20 kg)
Shipping Weight: 49.1 lbs.
:: Stainless Steel-PP
Dimensions: 11.13" W x 14.77" H
Net Weight: 39.7 lbs. (18.0 kg)
Shipping Weight: 44.7 lbs.
:: Cast Iron
Dimensions: 11.27" W x 14.74" H
Net Weight: 44.1 lbs. (20 kg)
Shipping Weight: 49.1 lbs.
:: Aluminum (G25)
Dimensions: 10.04" W x 12.44" H
Net Weight: 20.3 lbs. (9.2 kg)
Shipping Weight: 25 lbs.

ACCESSORIES

Air Motor Kit (NDP)

K225-AM (metal center body) and K225-AP (non-metallic center body)

Liquid End Kits (NDP)
  Aluminum: K25-MC-1, K25-MN-1, K25-ME-1, K25-MH-1, K25-MS-1, K25-MV-1, K25-MT-1, K25-MU-1
  Stainless Steel: K25-MC-1, K25-MN-1, K25-ME-1, K25-MH-1, K25-MS-1, K25-MV-1, K25-MT-1, K25-MU-1
  Cast Iron: K25-MC-1, K25-MN-1, K25-ME-1, K25-MH-1, K25-MS-1, K25-MV-1, K25-MT-1, K25-MU-1
  Polypropylene (-PP): K25-PC-PP, K25-PN-PP, K25-PE-PP, K25-PH-PP, K25-PS-PP, K25-PV-PP, K25-PT-PP, K25-PU-PP
  Kynar (-PN): K25-VE-PP, K25-VH-PP, K25-VS-PP, K25-VV-PP, K25-VT-PPK25-VU-PP
Air Motor Kit (G25)

KG25-AM-M

Liquid End Kits (G25)
  Aluminum: KG25-AS, KG25-AN, KG25-AT, KG25-AH
Filter / Regulators

FR-3, FR-3A (Auto Drain)

Dampener

AD-25 Series

Liquid Level Controller

YALC & LLC-2Y

Controllers

YSC-3B

Diaphragm Monitor System

DM-2

DRy Run Detector

DRD-100

The Yamada Advantage

Yamada Air Powered Double Diaphragm Pumps: Engineered for High Performance. Manufactured for Long Life.

Rugged, Bolted Construction

All Yamada pumps feature bolted construction, which eliminates leaks and simplifies post-maintenance reassembly. Bolted construction is superior to clamp band retainers, which frequently require frustrating, unnecessary leakage rebuilds from misalignment during reassembly.

Outside-Accessible Air Valve

Inspection or maintenance of every Yamada air valve may be performed without removing the pump from service. Outside accessible, making it easy to fix / inspect.

Unified Air Valve Concept

Common-size air valve assemblies reduce parts confusion and inventory.

Pilot Valve

Unique to the Yamada design is an individual modular pilot valve that actuates the air valve. It is depressed slightly by the inner center disk creating a pressure drop at one end of the air valve, allowing shifting to occur. It is maintenance free with no cumbersome snap rings or lubricated dynamic o-rings to replace or repair.

Patented Air Valve Technology

Incorporated in every Yamada Air Powered Double Diaphragm pump

Yamada air valve technology is the heart of the air-powered double diaphragm pump and determines reliability. Yamada holds three patents on its field proven valve and enjoys a superior reputation throughout the industry.

Why Specify an AODD Pump?

  • Handles a wide variety of fluids with high solids content
  • Self Priming
  • Ability to Run Dry
  • Variable flow rate and discharge pressure
  • Portable
  • Simple Installation
  • Dead Head
  • Shear Sensitive
  • Safe Operation
  • Submersible
  • Pumping efficiency remains constant
  • Cannot Overheat
  • High Pressure capabilities
  • No mechanical seals, couplings or motors
  • No pressure relief or bypass needed

Contact Us.

... please wait, submitting.

Literature & Drawings

Literature

Printable Specs

Maintenance Manuals

CAD Drawings

3D CAD Drawings

Performance Curve

Bill of Materials

Model Nomenclature

Weights & Dimensions

Videos