NDP-20 Series

Yamada® NDP-20 Diaphragm Pump Series

Yamada Trial Pump Program

3/4" Fluid Port

Yamada® NDP-20 series AODD pumps provide a maximum flow rate of 31.7 gallons per minute. Pumps are available in aluminum, stainless steel (316), and polypropylene construction, with a wide variety of diaphragm materials.

Unified Air Valve Concept – 2 common size air valve assemblies used for 6 sizes of pumps                            
Reducing reassembly confusion and parts inventory

Truly No-Lubricated Air Valve – patented air valve on all NDP series pumps
Never requires lubrication or pre-packing

Non-Stalling – patented non-centering, 304SS spring-assisted shifter, ensuring a positive shift every time

Tested to last over 300 million cycles

Aides in long dead head application for reliable startup

What separates Yamada from the rest of the pack is our air valve technology. Yamada uses a completely non-lubricated main air valve and independent pilot mechanisms to control the air logic.

As compressed air enters the pump, it is directed via the main air valve to one side or the other, depending upon the starting position of the c-spool.  As the air enters the chamber, it forces the diaphragm outward. This outward momentum forces liquid out of the discharge ball valve and loads the opposite inlet ball valve. As the diaphragm travels outward, the connected diaphragm on the opposite side is pulling the diaphragm inward.

When it travels a full stroke, it will contact the pilot valve, depressing it and breaking the seal to open an exhaust port.

The open port allows the compressed air to the exhaust from the back side of the air valve. The pressure drop produces a shift of the main air valve. This motion simply repeats on the other side.

Options > Ultimate Diaphragms, Abrasion Pads

 

GENERAL PUMP INFORMATION

31.7 Gallons/Minute
3/4" NPT Fluid Port

 

Intake & Discharge Connections
Polypropylene (PPG)
3/4" Female NPT or 3/4" ANSI Flange B16.5 #150
Aluminum (ADC-12)
3/4" Female NPT
Stainless Steel (316)
3/4" Female NPT
Air Inlet 1/4" Female NPT (includes ball valve)
Air Exhaust 3/4" Female NPT (includes silencer)

 

Maximum Liquid Temperature1
N: Buna N 180°F (82°C)
C: Neoprene 180°F (82°C)
S: Santoprene®(TPO) 180°F (82°C)
E: EPDM 212°F (100°C)
T: PTFE 212°F (100°C)
H: Hytrel® (TPE) 248°F (120°C)
V: Viton® fluoroelastomer 248°F (120°C)
U: Ultimate 212°F (100°C)
1Polypropylene pumps have a maximum liquid temperature of 180°F (82°C) regardless of diaphragm material.

 

Air Supply Pressure (All Models) 20 to 100 PSI (1.4 to 7 kgf/cm²)
Discharge Volume Per Cycle

Rubber diaphragm: 0.163 gallons (615 cc)
PTFE diaphragm: 0.143 gallons (539 cc)

Maximum Cycles Per Minute

Rubber diaphragm: 195
PTFE diaphragm: 195

Maximum Size Solid 1/16" (2.0 mm)
Maximum Dry Suction Lift Rubber-fitted pump capability: 18-feet
Air Motor Aluminum - Metal Pumps
Plastice - Plastic Pumps
Optional Coating PTFE-coated
Other Options Split manifold pumps

NDP-20 PUMP MODELS

Model # Description
851514 NDP-20BAC
851515 NDP-20BAN
851516 NDP-20BAE
852098 NDP-20BAH
852693 NDP-20BAS
851517 NDP-20BAV
851518 NDP-20BAT
855227 NDP-20BAU
854059 NDP-20BAC-PP
854060 NDP-20BAN-PP
854061 NDP-20BAE-PP
854064 NDP-20BAH-PP
854065 NDP-20BAS-PP
854062 NDP-20BAV-PP
854063-U NDP-20BAT-PP
854063 NDP-20BAU-PP
851519 NDP-20BSC
851520 NDP-20BSN
851521 NDP-20BSE
852099 NDP-20BSH
852694 NDP-20BSS
851522 NDP-20BSV
851523 NDP-20BST
855228 NDP-20BSU
854073 NDP-20BSC-PP
854074 NDP-20BSN-PP
854075 NDP-20BSE-PP
854078 NDP-20BSH-PP
854079 NDP-20BSS-PP
854076 NDP-20BSV-PP
854077 NDP-20BST-PP
854077-U NDP-20BSU-PP
851665 NDP-20BPC
852382 NDP-20BPN
852383 NDP-20BPE
852069 NDP-20BPH
852695 NDP-20BPS
852384 NDP-20BPV
851666 NDP-20BPT
853828 NDP-20BPC-FLG
853829 NDP-20BPN-FLG
853830 NDP-20BPE-FLG
853833 NDP-20BPH-FLG
853834 NDP-20BPS-FLG
853831 NDP-20BPV-FLG
853832

NDP-20BPT-FLG

854094 NDP-20BPC-PP
854095 NDP-20BPN-PP
854096 NDP-20BPE-PP
854099 NDP-20BPH-PP
854100 NDP-20BPS-PP
854098 NDP-20BPT-PP
854097 NDP-20BPV-PP
854098-U NDP-20BPU-PP
854108 NDP-20BPC-PP-FLG
854109 NDP-20BPN-PP-FLG
854110 NDP-20BPE-PP-FLG
854113 NDP-20BPH-PP-FLG
854114 NDP-20BPS-PP-FLG
854111 NDP-20BPV-PP-FLG
854112 NDP-20BPT-PP-FLG
854112-U NDP-20BPU-PP-FLG

MATERIAL TYPES

:: Aluminum
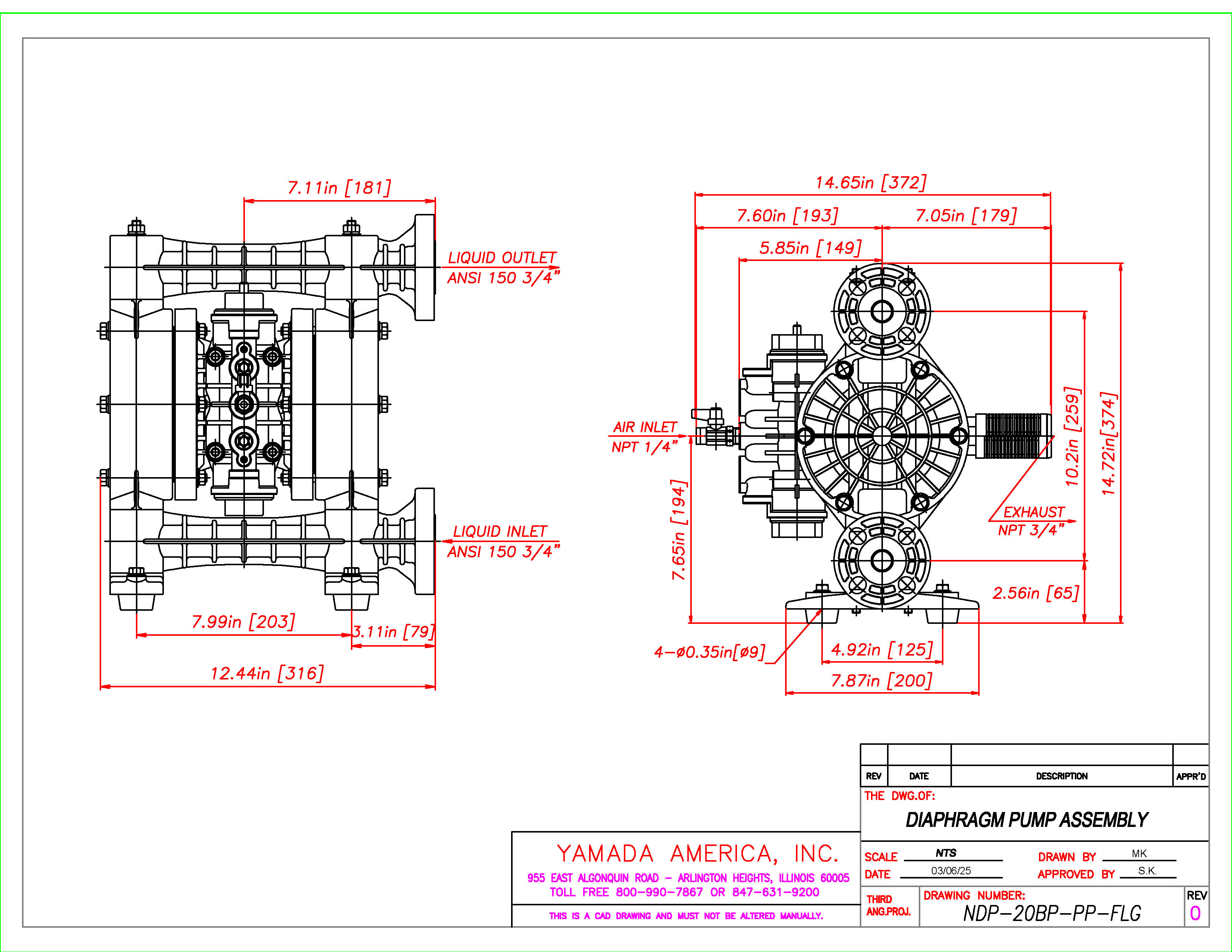
Dimensions: 9.80" W x 12.5" H
Net Weight: 19.8 lbs. (9.0 kg)
Shipping Weight: 23.8 lbs.
:: Aluminum-PP
Dimensions: 9.80" W x 12.48" H
Net Weight: 16.5 lbs. (7.5 kg)
Shipping Weight: 20.5 lbs.
:: Polypropylene (ANSI flange)
Dimensions: 12.44" W x 14.70" H
Net Weight: 17.6 lbs. (8.0 kg)
Shipping Weight: 21.6 lbs.
:: Polypropylene-PP (ANSI flange)
Dimensions: 12.44" W x 14.72" H
Net Weight: 15.4 lbs. (7.0 kg)
Shipping Weight: 19.4 lbs.
:: Polypropylene (NPT)
Dimensions: 12.46" W x 14.49" H
Net Weight: 17.6 lbs. (8.0 kg)
Shipping Weight: 21.6 lbs.
:: Polypropylene-PP (NPT)
Dimensions: 12.48" W x 14.48" H
Net Weight: 15.4 lbs. (7.0 kg)
Shipping Weight: 19.4 lbs.
:: Stainless Steel
Dimensions: 9.65" W x 12.42" H
Net Weight: 30.9 lbs. (14.0 kg)
Shipping Weight: 34.9 lbs.
:: Stainless Steel-PP
Dimensions: 9.72" W x 12.4" H
Net Weight: 27.6 lbs. (12.5 kg)
Shipping Weight: 31.6 lbs.

ACCESSORIES

Air Motor Kit

K225-AM (metal center body) and K225-AP (plastic center body)

Liquid End Kits
  Aluminum: K20-MC-1, K20-MN-1, K20-ME-1, K20-MH-1, K20-MS-1, K20-MV-1, K20-MT-1, K20-MU-1
  Stainless Steel: K20-MC-1, K20-MN-1, K20-ME-1, K20-MH-1, K20-MS-1, K20-MV-1, K20-MT-1, K20-MU-1
  Polypropylene: K20-PC-PP, K20-PN-PP, K20-PE-PP, K20-PH-PP, K20-PS-PP, K20-PV-PP, K20-PT-PP, K20-PU-PP
Filter / Regulators

FR-1, FR-1A (Auto Drain)

Dampener

AD-25 Series

Liquid Level Controller

YALC & LLC-2Y

Controllers

YSC-3B

Diaphragm Monitor System

DM-2

DRy Run Detector

DRD-100

The Yamada Advantage

Yamada Air Powered Double Diaphragm Pumps: Engineered for High Performance. Manufactured for Long Life.

Rugged, Bolted Construction

All Yamada pumps feature bolted construction, which eliminates leaks and simplifies post-maintenance reassembly. Bolted construction is superior to clamp band retainers, which frequently require frustrating, unnecessary leakage rebuilds from misalignment during reassembly.

Outside-Accessible Air Valve

Inspection or maintenance of every Yamada air valve may be performed without removing the pump from service. Outside accessible, making it easy to fix / inspect.

Unified Air Valve Concept

Common-size air valve assemblies reduce parts confusion and inventory.

Pilot Valve

Unique to the Yamada design is an individual modular pilot valve that actuates the air valve. It is depressed slightly by the inner center disk creating a pressure drop at one end of the air valve, allowing shifting to occur. It is maintenance free with no cumbersome snap rings or lubricated dynamic o-rings to replace or repair.

Patented Air Valve Technology

Incorporated in every Yamada Air Powered Double Diaphragm pump

Yamada air valve technology is the heart of the air-powered double diaphragm pump and determines reliability. Yamada holds three patents on its field proven valve and enjoys a superior reputation throughout the industry.

Why Specify an AODD Pump?

  • Handles a wide variety of fluids with high solids content
  • Self Priming
  • Ability to Run Dry
  • Variable flow rate and discharge pressure
  • Portable
  • Simple Installation
  • Dead Head
  • Shear Sensitive
  • Safe Operation
  • Submersible
  • Pumping efficiency remains constant
  • Cannot Overheat
  • High Pressure capabilities
  • No mechanical seals, couplings or motors
  • No pressure relief or bypass needed

Contact Us.

... please wait, submitting.

Literature & Drawings

Literature

Printable Specs

Maintenance Manuals

CAD Drawings

3D CAD Drawings

Performance Curve

Bill of Materials

Model Nomenclature

Weights & Dimensions

Videos