NDP-15 Series

Yamada® NDP-15 Diaphragm Pump Series

Yamada Trial Pump Program

1/2" Fluid Port

Yamada® NDP-15 series AODD pumps provide a maximum flow rate of 13.5 gallons per minute. Pumps are available in aluminum, stainless steel (316), Kynar® (PVDF), groundable acetal, and polypropylene construction, with a wide variety of diaphragm materials.

What separates Yamada from the rest of the pack is our air valve technology. Yamada uses a completely non-lubricated main air valve and independent pilot mechanisms to control the air logic.

As compressed air enters the pump, it is directed via the main air valve to one side or the other, depending upon the starting position of the c-spool.  As the air enters the chamber, it forces the diaphragm outward. This outward momentum forces liquid out of the discharge ball valve and loads the opposite inlet ball valve. As the diaphragm travels outward, the connected diaphragm on the opposite side is pulling the diaphragm inward.

When it travels a full stroke, it will contact the pilot valve, depressing it and breaking the seal to open an exhaust port.

The open port allows the compressed air to the exhaust from the back side of the air valve. The pressure drop produces a shift of the main air valve. This motion simply repeats on the other side.

Options > Ultimate Diaphragms

NDP-15BPT

 

GENERAL PUMP INFORMATION

13.5 Gallons/Minute
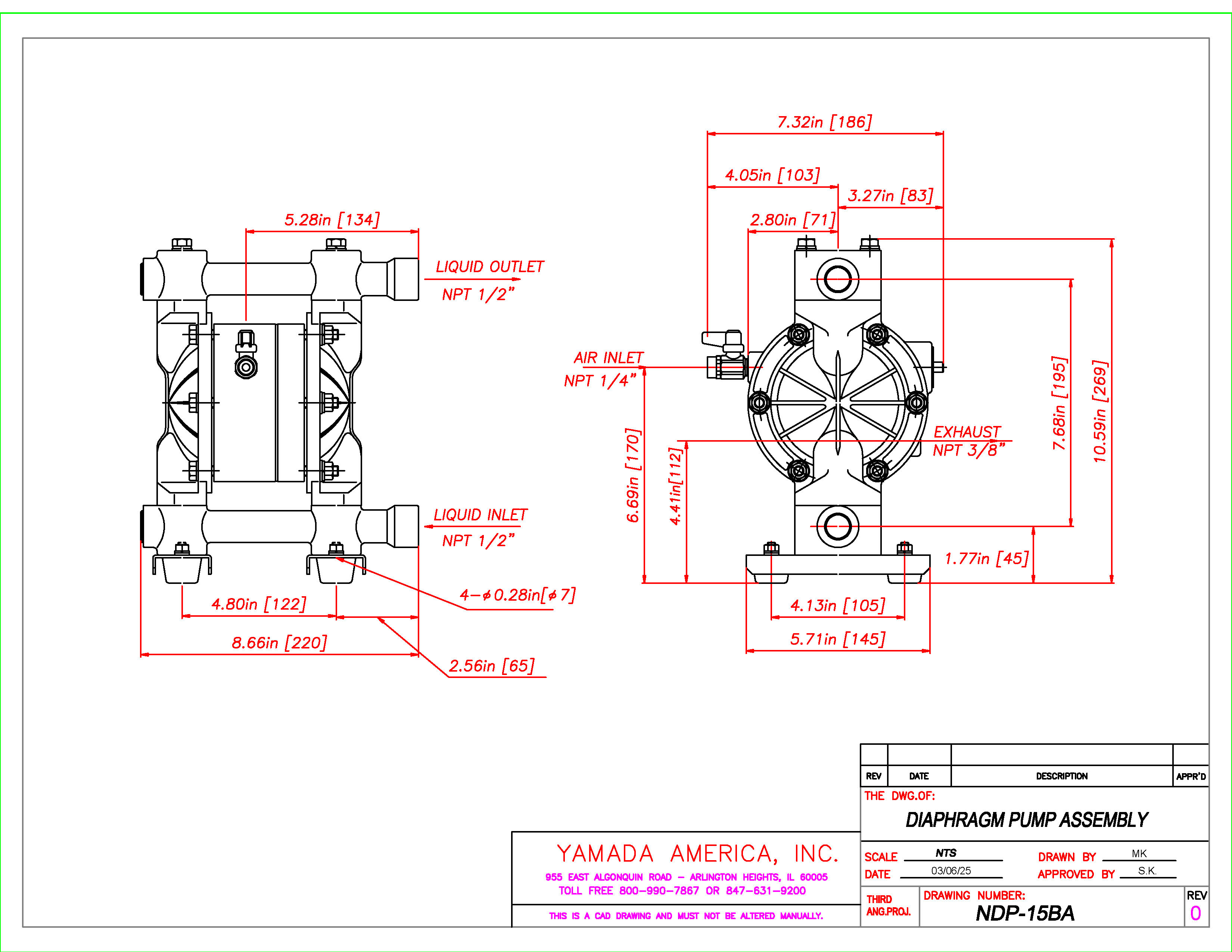
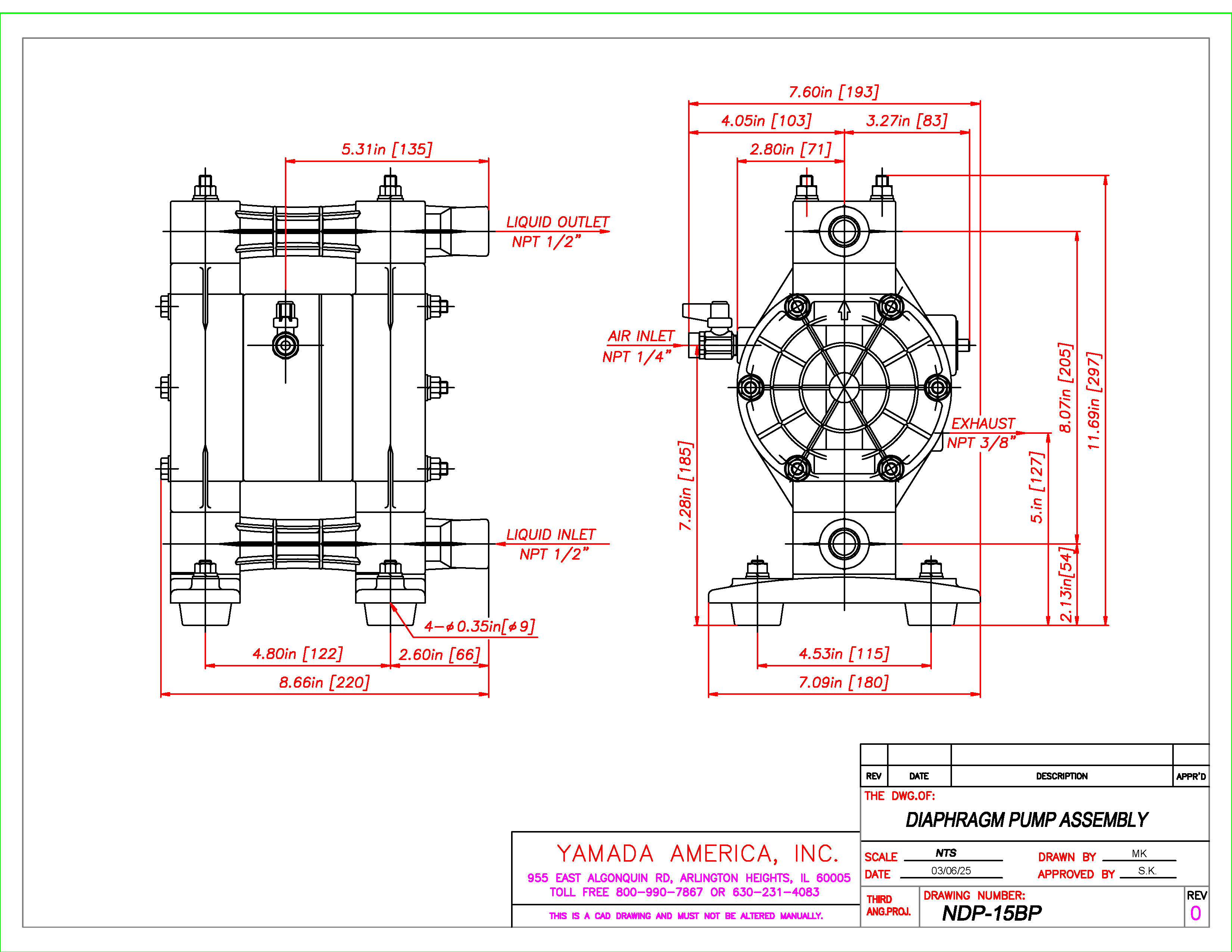
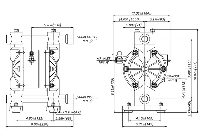
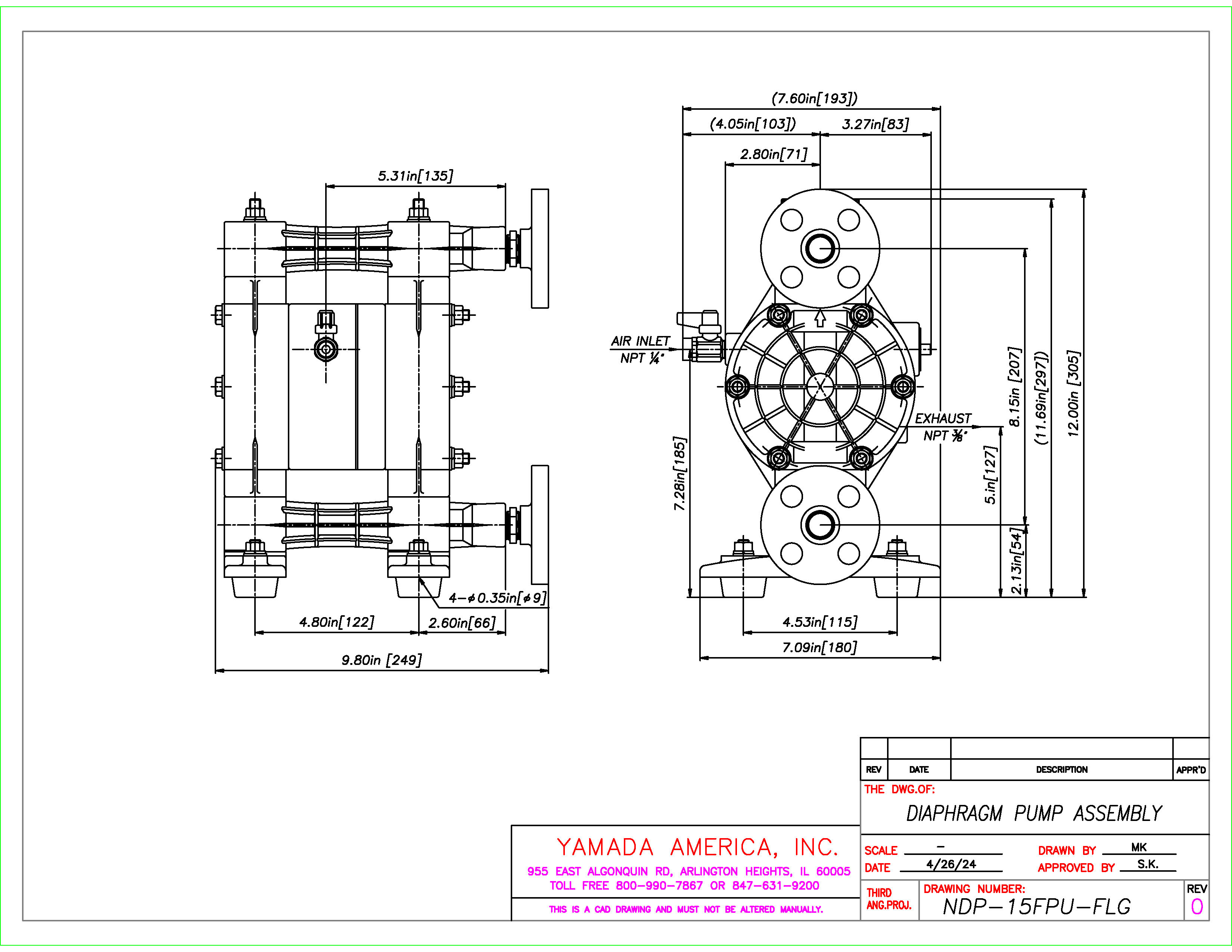
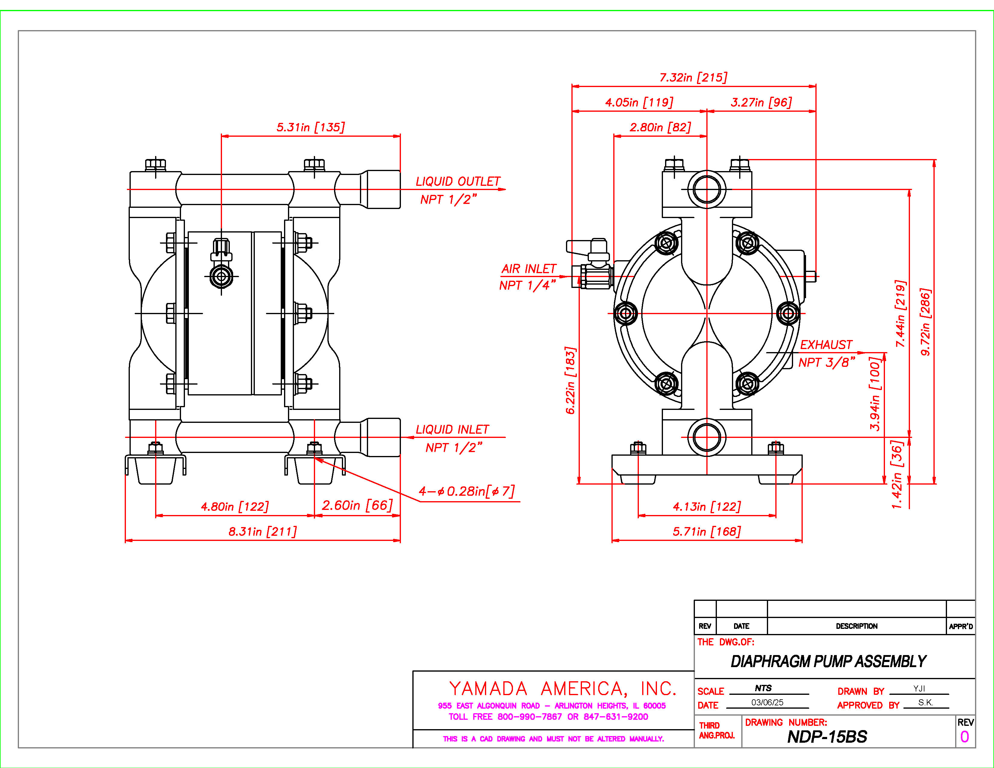
1/2" NPT Fluid Port

 

Intake & Discharge Connections
Polypropylene (PPG)1 1/2" Female NPT
Kynar® (PVDF)2 1/2" Female NPT
Groundable Acetal2 1/2" Female NPT
Aluminum (ADC-12)3 1/2" Female NPT
Stainless Steel (316)3 1/2" Female NPT
Air Inlet 1/4" Female NPT (includes ball valve)
Air Exhaust 3/8" Female NPT Identified as EXH II (includes internal silencer)4

1Polypropylene pumps may be fitted with ball or flat check valves. Ball-type check valves are recommended for flooded suction applications. Flat-type check valves are recommended for suction lift applications.
2Kynar® and Groundable Acetal pumps are fitted with flat check valves only.
3Aluminum and Stainless Steel pumps are fitted with ball check valves only.

3/8" Female NPT Identified as EXH II (includes internal silencer)

 

Diaphragm Maximum Liquid Temperature1
N: Buna N 180°F (82°C)
C: Neoprene 180°F (82°C)
S: Santoprene®(TPO) 180°F (82°C)
E: EPDM 212°F (100°C)
T: PTFE 212°F (100°C)
H: Hytrel® (TPE) 248°F (120°C)
V: Viton® fluoroelastomer 248°F (120°C)
U: Ultimate 212°F (100°C)
1Polypropylene and acetal pumps have a maximum liquid temperature of 180°F (82°C) regardless of diaphragm material.

 

Air Supply Pressure (All Models) 20 to 100 PSI (1.4 to 7 kgf/cm²)
Discharge Volume Per Cycle 0.034 gallons (128 cc)
Maximum Cycles Per Minute 400
Maximum Size Solid 1/32" (1mm)
Maximum Dry Suction Lift Flat-type check valve: 8-feet
Ball-type check valve: 5-feet
Air Motor Ryton® air motor standard
Other Options Split manifold pumps

NDP-15 PUMP MODELS

Model # Description
851950 NDP-15BAC
851952 NDP-15BAH
851951 NDP-15BAN
852685 NDP-15BAS
851949 NDP-15BAT
851949-U NDP-15BAU
*NS NDP-15BAV
851962 NDP-15BSC
851964 NDP-15BSH
851963 NDP-15BSN
852686 NDP-15BSS
851961 NDP-15BST
851961-U NDP-15BSU
852348 NDP-15BPC
852350 NDP-15BPH
852814 NDP-15BPN
852687 NDP-15BPS
852349 NDP-15BPT
852349-U NDP-15BPU
851904 NDP-15FPC
851906 NDP-15FPH
851944 NDP-15FPN
852688 NDP-15FPS
851699 NDP-15FPT
851699-U NDP-15FPU
852104 NDP-15FVH
852771 NDP-15FVS
852103 NDP-15FVT
852103-U NDP-15FVU

MATERIAL TYPES

:: Aluminum
Dimensions: 8.66" W x 10.67" H
Net Weight: 9.04 lbs. (4.1 kg)
Shipping Weight: 11.04 lbs.
:: Kynar® (PVDF)
Dimensions: 8.66" W x 11.67" H
Net Weight: 9.46 lbs. (4.3 kg)
Shipping Weight: 11.46 lbs.
:: Groundable Acetal
Dimensions: 8.66" W x 11.67" H
Net Weight: 7.7 lbs. (3.5 kg)
Shipping Weight: 9.7 lbs.
:: Polypropylene (NPT)
Dimensions: 8.66" W x 11.67" H
Net Weight: 7.7 lbs. (3.5 kg)
Shipping Weight: 9.7 lbs.
:: Polypropylene (Center Port)
Dimensions: 8.66" W x 11.67" H
Net Weight: 7.7 lbs. (3.5 kg)
Shipping Weight: 9.7 lbs.
:: Stainless Steel
Dimensions: 8.31" W x 9.72" H
Net Weight: 13.9 lbs. (6.3 kg)
Shipping Weight: 15.9 lbs.

ACCESSORIES

Air Motor Kit

K15-AM

Liquid End Kits
  Aluminum: K15-MC, K15-MN, K15-MH, K15-MS, K15-MT, K15-MU
  Stainless Steel: K15-MC, K15-MN, K15-MH, K15-MS, K15-MT, K15-MU
  Polypropylene-Ball Valve: K15-PC-B, K15-PN-B, K15-PH-B, K15-PS-B, K15-PT-B, K15-PU-B
  Polypropylene-Flat Valve: K15-PC, K15-PN, K15-PH, K15-PS, K15-PT, K15-PU
  Kynar: K15-VH-1, K15-VS, K15-VT, K15-VU
Filter / Regulators

FR-1, FR-1A (Auto Drain)

Dampener

AD-10 Series

Liquid Level Controller

YALC, LLC-2Y,, and LLC-3

Controllers

YSC-3B

Diaphragm Monitor System

DM-2

DRy Run Detector

DRD-100

The Yamada Advantage

Yamada Air Powered Double Diaphragm Pumps: Engineered for High Performance. Manufactured for Long Life.

Rugged, Bolted Construction

All Yamada pumps feature bolted construction, which eliminates leaks and simplifies post-maintenance reassembly. Bolted construction is superior to clamp band retainers, which frequently require frustrating, unnecessary leakage rebuilds from misalignment during reassembly.

Outside-Accessible Air Valve

Inspection or maintenance of every Yamada air valve may be performed without removing the pump from service. Outside accessible, making it easy to fix / inspect.

Unified Air Valve Concept

Common-size air valve assemblies reduce parts confusion and inventory.

Pilot Valve

Unique to the Yamada design is an individual modular pilot valve that actuates the air valve. It is depressed slightly by the inner center disk creating a pressure drop at one end of the air valve, allowing shifting to occur. It is maintenance free with no cumbersome snap rings or lubricated dynamic o-rings to replace or repair.

Patented Air Valve Technology

Incorporated in every Yamada Air Powered Double Diaphragm pump

Yamada air valve technology is the heart of the air-powered double diaphragm pump and determines reliability. Yamada holds three patents on its field proven valve and enjoys a superior reputation throughout the industry.

Why Specify an AODD Pump?

  • Handles a wide variety of fluids with high solids content
  • Self Priming
  • Ability to Run Dry
  • Variable flow rate and discharge pressure
  • Portable
  • Simple Installation
  • Dead Head
  • Shear Sensitive
  • Safe Operation
  • Submersible
  • Pumping efficiency remains constant
  • Cannot Overheat
  • High Pressure capabilities
  • No mechanical seals, couplings or motors
  • No pressure relief or bypass needed

Contact Us.

... please wait, submitting.

Literature & Drawings

Videos